| Sign In | Join Free | My wneducation.com |
|
Brand Name : Kacise
Model Number : KSJB1
Certification : certificate of explosion-proof, CE
Place of Origin : China (Mainland)
MOQ : 1pcs
Payment Terms : T/T, Western Union, MoneyGram
Supply Ability : 1000 Pieces per Week
Delivery Time : 5-8 working days
Packaging Details : each unit has individual box and all boxes are packed in standard packages or customers requests available
Scope : ±50g
Threshold value : 5μg
deviation value K0/K1 : ≤±3mg
KSJB1 series quartz flexible accelerometer is a high-precision military inertial navigation grade accelerometer. The product has excellent long-term stability, repeatability, starting performance, environmental adaptability and high reliability. It can be used for static test and dynamic test, and is also a standard vibration sensor and inclination sensor.
The output current of the product is linear with the force or acceleration, and the user can select the appropriate sampling resistance through calculation to achieve high-precision output. And can be built in temperature sensor according to user requirements, used for the compensation of partial value and scale factor, reduce the impact of environmental temperature.
Application: Inertial measurement and vibration isolation test of high-precision inertial navigation system in aerospace, aviation, ship, weapon and other fields,inertial measurement units.

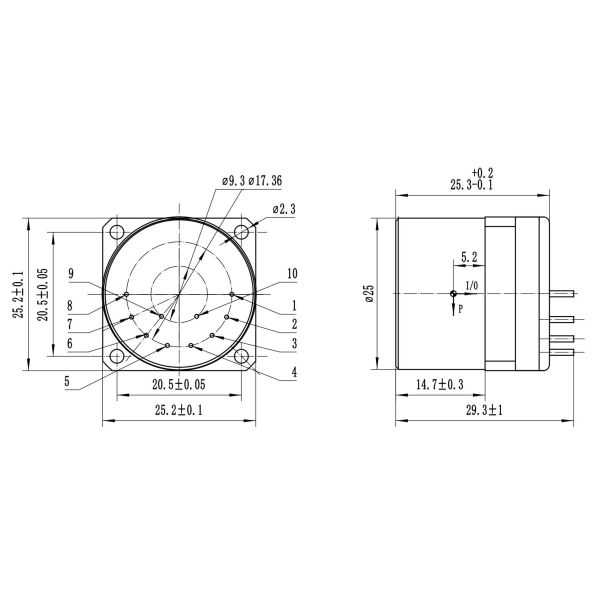
Outline diagram and pin definition:

Figure I: Universal accelerometer
Pin conventional definition: 1, signal output; 2. Empty; 3, -15V; 4, +15V; 5, power supply and signal ground; 6. Empty; 7. Empty; 8. Empty; 9, -9V output; 10, +9V output.

The mounting hole is U-shaped

The mounting hole is U-shaped and the pin is 8 pins

The outer dimension is square
technical parameters:
| Number | Parameters | KSJB1-01 | KSJB1-02 | KSJB1-03 |
| 1 | Scope | ±50g | ±50g | ±50g |
| 2 | Threshold value | 5μg | 5μg | 5μg |
| 3 | deviation value K0/K1 | ≤±3mg | ≤±3mg | ≤±5 mg |
| 4 | scale factor K1 | 1.05~1.30 mA/g | 1.05~1.30 mA/g | 1.05~1.30 mA/g |
| 5 | Second order nonlinear coefficient K2 | ≤±10μg /g2 | ≤±15μg /g2 | ≤±20μg /g2 |
| 6 | 0g 4 hours short-term stability | ≤10 μg | ≤10μg | ≤15 μg |
| 7 | 1g 4 hours short-term stability | ≤10 ppm | ≤10 ppm | ≤15 ppm |
| 8 | deviation value synthesis repeatability σK0 (1σ,one month) | ≤10 μg | ≤20 μg | ≤30 μg |
| 9 | Scale factor integrated repeatability σK1/K1 (1σ,one month) | ≤15ppm | ≤30 ppm | ≤50 ppm |
| 10 | Comprehensive repeatability of nonlinear coefficients K2/K1(1σ,one month) | ≤±10 μg /g2 | ≤±20 μg /g2 | ≤±30 μg /g2 |
| 11 | deviation value Temperature coefficient(The mean value of the whole temperature zone) | ≤±10 μg /℃ | ≤±30 μg /℃ | ≤±50 μg /℃ |
| 12 | Scale factor Temperature coefficient(The mean value of the whole temperature zone) | ≤±10 ppm /℃ | ≤±30 ppm /℃ | ≤±50 ppm /℃ |
| 13 | Noise(The sampling resistance is 840Ω) | ≤5mv | ≤8.4mv | ≤8.4mv |
| 14 | Natural frequency | 400~800 Hz | 400~800 Hz | 400~800 Hz |
| 15 | bandwidth | 800~2500 Hz | 800~2500 Hz | 800~2500 Hz |
| 16 | Random vibration | 6g(20-2000Hz) | 6g(20-2000Hz) | 6g(20-2000Hz) |
| 17 | strike | 100g,8ms,1/2sin | 100g,8ms,1/2sin | 100g,8ms,1/2sin |
| 18 | Operating temperature range | -55~+85℃ | -55~+85℃ | -55~+85℃ |
| 19 | Storage temperature range | -60~+120℃ | -60~+120℃ | -60~+120℃ |
| 20 | Power supply | ±12~±15V | ±12~±15V | ±12~±15V |
| 21 | Current consumption | ≤±20mA | ≤±20mA | ≤±20mA |
| 22 | Temperature sensor | User customizable | User customizable | User customizable |
| 23 | dimension | Ф25.4X30mm | Ф25.4X30mm | Ф25.4X30mm |
| 24 | weight | ≤80g | ≤80g | ≤80g |
Note:
1. Scale factor is adjusted according to user requirements;
2.Temperature sensor: divided into AD590, pt1000, 18B20,
3. Test cycle: divided into 1 month, 3 months, 6 months, 12 months, according to user requirements for testing;
4. According to user installation requirements; The dimensions can be slightly adjusted according to user requirements, and other test requirements can be carried out according to customer requirements.
|
|
Military Grade High Precision Quartz Flexible Accelerometer For Aerospace And Inertial Measurement Units Images |